当前位置:MFC金属板材成形网 > 正文

MFC推荐—捷豹I-Pace热管理系统技术研究

2019-10-16 10:57:47 来源: 汽车文摘
收藏
导读:

【摘要】I-Pace作为捷豹旗下第一款纯电动跨界SUV(参数|图片),是捷豹路虎在新能源汽车领域的开局之作。I-Pace定位于高端市场,采用前后轴双电机驱动型式,具有卓越的动力性能,0~100 km/h加速时间仅为4.8 s。此外,为了提升冬季环境下的续驶里程,整车采用先进的热管理设计结构和控制系统。本文主要对I-Pace热管理系统拓扑结构和特征工作模式进行分析,为电动汽车热管理系统设计提供参考。

1 前言

随着汽车的电动化和智能化发展,电动汽车热管理系统也向着集成化、可控化和精准化方向发展,热管理系统设计结构越来越复杂,对控制精度要求也越来越高。为了实现电动汽车能量的合理利用,提升电动汽车高低温环境下的续驶里程,电动汽车热管理系统的设计和开发成为电动汽车整车能量开发的重点。对于电动汽车而言,热管理系统不仅影响乘用车驾乘舒适性,而且也牵涉到安全性和能耗问题。如何实现电动汽车实际环境下的续驶里程和舒适性之间的平衡,是电动汽车热管理系统设计急需解决的问题[1][2]。本文以捷豹I-Pace车型为研究对象,对其先进热管理系统的拓扑结构和特征工作模式进行分析,为电动汽车热管理系统设计提供参考。

2 整车技术参数

I-Pace(参数|图片)基于捷豹的全新eDM电动汽车模块化平台打造,前后轴各布置一个电机驱动单元,实现前后轴50:50的重量分配。另外电池组布置于车辆地板下的前后轴中间,有助于降低车辆重心,改善整车驾驶特性。车前部采用可控开度的主动进气格栅,为I-Pace热管理系统提供进气气流,配合机前盖上方的气流开孔,可提供更好的下压力和空气动力学效应,减少进气风阻,提升整车性能。整车技术参数如表1所示。

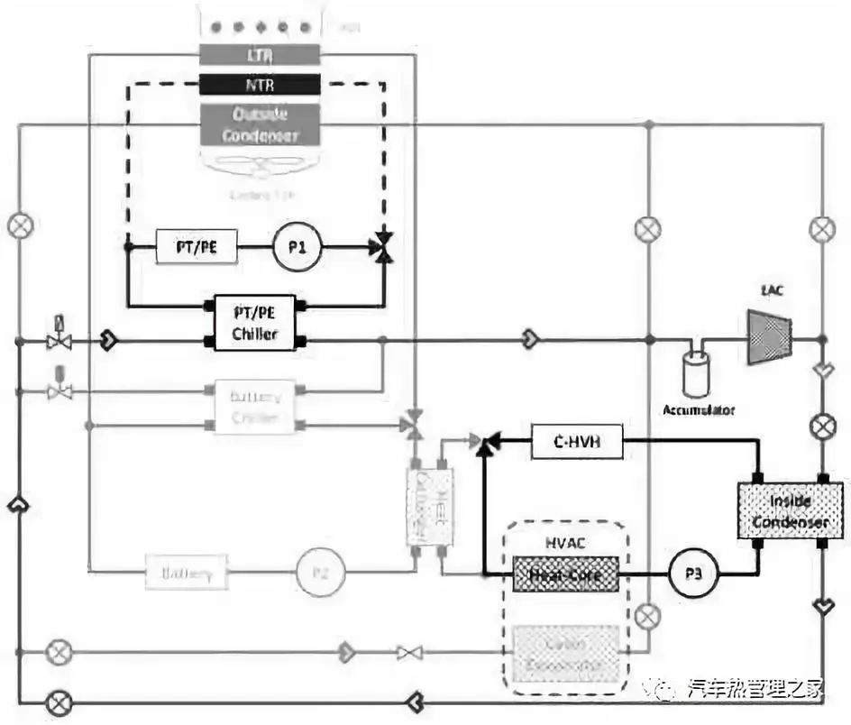
3 热管理系统拓扑结构分析

I-Pace整车热管理拓扑结构如图1所示,包括空调系统回路、电机系统回路、电池系统回路和暖风芯体回路[4]。

表1 整车技术参数[3]

图1 I-Pace热管理系统拓扑结构[4]

当电池没有冷却需求和加热需求情况下,如果电池温度不均匀,最大温差超过一定范围,通过控制电池回路的电磁三通阀,对低温散热器进行旁通,水泵开启,保证电池回路冷却水循环,实现电池温度均匀的目的[3],如图9所示。

在夏季环境下,空调系统采用传统空调循环回路,实现空调冷媒的相变过程,实现乘员舱制冷作用,同时可通过电池回路的Chiller(热交换器)与电池回路进行热交换,实现电池回路的主动冷却过程。在冬季寒冷环境下,乘员舱有加热需求,空调系统可通过阀门的控制,实现空调系统热泵循环过程。空调系统通过外界冷凝器或电机回路的Chiller进行相变吸热过程,空调冷媒再经由压缩机压缩后变成高温高压气体,流入内置冷凝器发生相变放热过程,与暖风芯体回路进行热交换,实现外界环境热量或电机回路废热向乘员舱的转移。

电机回路主要负责对驱动电机、电控单元、车载充电机和DC/DC进行冷却。在电机回路温度较高,有散热需求时,经由低温散热器对电机回路进行散热。

电池回路主要负责动力电池的热管理,由于动力电池对温度需求范围比较敏感,要求电池回路具有加热和冷却功能。在寒冷环境下,动力电池有加热需求,可通过热交换器,与暖风芯体回路之间进行热交换。在高温环境下,动力电池有冷却需求,可通过低温散热器或Chiller对电池回路进行冷却。

暖风芯体回路主要负责对乘员舱和电池回路进行加热,在寒冷环境下,乘员舱有加热需求,可通过空调系统的内置冷凝器,实现热量向乘员舱内转移,当热泵制热功率不足时,可采用高压PTC进行辅助;同时通过控制比例阀的开启,控制流经电池回路热交换器的水流量,实现电池回路加热需求。

由于电池回路工作温度最低,大约在20℃左右,因而把电池回路的低温散热器布置在冷却模块最前端;而电机回路工作温度比电池回路要高,因而电机回路低温散热器布置在第二排;而空调回路平均工作温度最高,因而把空调为界冷凝器放在冷却模块的第三排,这与传统燃油车布置方式不同;冷却模块的最后布置的是电动冷却风扇,根据冷却单元的散热需求对冷却风扇进行控制。

4 热管理系统工作模式分析4.1 空调系统工作模式

空调系统主要有空调制冷模式和热泵制热模式两种[3],下面将对不同的工作模式进行详细介绍。

4.1.1 空调制冷模式

空调制冷模式,可进一步细化为两种工作模式,第一种是仅乘员舱有制冷需求,第二种是在乘员舱有制冷需求条件下,动力电池有主动冷却需求。

当环境温度较高,乘员舱有制热需求,而动力电池无主动冷却需求,此时空调系统仅为乘员舱进行制冷,如图2所示。

图2 空调制冷模式[3]

通过控制阀门的开关状态,空调冷媒经由压缩机引入至外界冷凝器进行散热,相变为高压液态后,经由膨胀阀进行减压,空调冷媒变为气液两相态,在乘员舱蒸发器内进行蒸发吸热,实现乘员舱制冷。

图3所示为,在乘员舱有制冷需求的条件下,动力电池有主动冷却需求。此时,空调冷媒经由外界冷凝器散热后,分别流经电池回路的Chiller和乘员舱蒸发器,进行空调冷媒蒸发吸热,实现空调系统同时对乘员舱和动力电池的冷却。

图3 空调制冷模式[3]

4.1.2 热泵制热模式

热泵制热模式可进一步细化为三种工作模式。第一种是把外界环境作为热源,通过外界冷凝器蒸发吸热的传统热泵模式;第二种是通过电机回路的Chiller进行废热回收,实现热泵制热的工作模式;第三种是把电机回路废热和外界环境作为热源的工作模式。

当环境温度较低,乘员舱有制热需求,电机回路无冷却需求的情况下,热泵系统通过外界冷凝器进行吸热,经热交换器,把热量传递给暖风芯体回路为乘员舱进行加热,如图4所示。

图4 热泵制热模式[3]

捷豹路虎的热管理工程师Nilabza Dutta,在2018年SAE热管理研讨会上指出,在0℃环境温度下,该模式下的热泵系统可从外界环境中回收1.9 kW的热量,与此同时,仅需要消耗0.3 kW的压缩机功率,整体传递给乘员舱的热量为2.2 kW[4]。

在该模式下,如果热泵加热功率较小,不能满足乘员舱的制热需求,则暖风芯体回路上的高压PTC(Positive Temperature Coefficient,正温度系数热敏电阻)将开始工作,对暖风芯体回路进行辅助加热。

图5所示为当环境温度较低、乘员舱有制热需求,同时电机回路有冷却需求的情况下,通过电机回路的Chiller,把电机回路的热量作为热泵热源,经热交换器,把热量传递给暖风芯体回路为乘员舱进行加热,完成乘员舱加热过程。

图5 热泵制热模式[4]

Nilabza Dutta在SAE研讨会上指出,在0℃环境温度下,该模式下的热泵系统可从电机回路中回收2.5 kW的热量,与此同时,仅需要消耗0.3 kW的压缩机功率,整体传递给乘员舱的热量为2.8 kW[4]。

在该模式下,如果电机回路散热量较大,超出热泵取热能力,则通过电控三通阀,对流经低温散热器的冷却液流量进行调节,电机回路多余的热量经由低温散热器进行散热,实现电机回路的冷却过程[3]。

图6 热泵制热模式[3]

当环境温度较低,乘员舱有制热需求,同时电机回路有冷却需求,如果热泵系统从电机回路取热功率,不能满足乘员舱加热需求的情况下,热泵系统将会同时从电机回路和外界环境取热,经热交换器,把热量传递给暖风芯体回路为乘员舱进行加热,如图6所示。

空调系统主要负责对乘员舱温度进行调节,采用目前较为先进的喷气增焓热泵空调系统,可实现空调系统的夏季制冷需求和冬季制热需求。

需要说明的是,在充电工况下,乘员舱有加热需求,为了实现乘员舱内温度快速响应,直接采用暖风芯体回路的高压PTC进行加热。在行驶工况下,当环境温度非常低,热泵系统无法正常工作,乘员舱加热也只能采用暖风芯体回路的高压PTC进行加热。

4.2 电机系统工作模式

电机系统冷却模式主要有自加热模式、散热器冷却模式和热泵散热模式三种[3]。

在环境温度较低,整车冷启动工况下,电机系统通过调节电磁三通阀,控制电机回路冷却液流动方向,对电机回路的低温散热器进行旁通,由于电机回路无主动冷却,电机回路温度可快速升高到合适的工作温度[3],如图7所示。

图7 自加热模式[3]

当电机温度较高,电机有冷却需求,同时乘员舱无加热需求或热泵系统不能工作的情况下,电机回路通过调节电磁三通阀,控制冷却液流经低温散热器,对电机回路进行冷却,如图8所示。

图8 散热器冷却模式[3]

当电机温度较高,电机有冷却需求,同时乘员舱热泵系统在工作的情况下,电机回路通过调节电磁三通阀,控制冷却液流经电机回路Chiller,把电机回路的废热传递给热泵空调系统,对电机余热进行回收利用,该模式与热泵空调系统制热模式相同,即图5所示。

4.3 电池系统工作模式

电池系统热管理模式主要有温度平衡模式、主动加热模式、低温冷却模式和主动冷却模式四种[3]。

Nilabza Dutta在SAE研讨会上指出,在-8℃环境温度下,该模式下的热泵系统可分别从外界环境和电机回路中回收1.5 kW和2.0 kW的热量,与此同时,仅需要消耗0.8 kW的压缩机功率,整体传递给乘员舱的热量为4.3 kW[4]。

图9 温度平衡模式[3]

图10 所示为电池主动加热模式,当环境温度较低,为了保证电池的正常工作,电池回路有加热需求。

图10 主动加热模式[3]

在该模式下,暖风芯体回路通过调节电磁阀状态,把冷却液引入到与电池回路耦合的热交换器,电池回路通过热交换器与乘员舱暖风芯体回路进行热交换,为了减少电量消耗,采用热泵系统对暖风芯体回路进行加热,把热量间接传递到电池回路,热泵可采用外界环境或电机回路作为热源,实现热量的转移。如果不能满足热泵系统工作条件,则采用暖风芯体回路的高压PTC进行加热,通过Chiller把热量传递到电池回路。

当电池有冷却需求,同时环境温度低于电池温度的情况下,通过控制电池回路的电磁三通阀状态,把电池回路的冷却水引入到低温散热器,通过环境气流对电池回路进行散热[3],如图11所示。

图11 低温冷却模式[3]

当电池有冷却需求,环境温度高于电池温度,同时空调系统在开启的情况下,采用空调系统对电池回路进行主动冷却[3],此时空调系统引入一部分冷媒到电池回路的Chiller,冷媒在Chiller内进行蒸发吸热,实现电池回路的主动冷却,该模式与空调系统制冷模式即图3所示。

4.4 热管理系统工作模式控制架构

I-Pace热管理系统,在冷却模块前端配备有主动格栅系统和进气风道,后端配有风道导风口。针对不同的应用场景,结合主动格栅和冷却风扇的灵活控制,可进一步优化整车空气动力学,实现热管理工作模式的细化。

通过热管理系统控制策略,对多种热管理工作模式进行灵活切换,可保证整车热管理系统可靠、稳定、高效运行,节约整车能量消耗。I-Pace热管理系统控制架构如表2所示。

表2 I-Pace热管理系统控制架构[3]

另外,为了最大程度的拓展整车续驶里程,I-Pace采用基于驾乘人员数量的智能环境控制系统,该系统可根据乘员舱的舒适性需求,对乘员舱进行温度分区控制,包括驾驶员控制、双温区控制、四温区控制和超低功率消耗四种模式控制。根据热管理系统需求,控制乘员舱温度调节模式,在满足乘员舱舒适性的前提下,减少热管理系统能量消耗,拓展整车续驶里程。

5 结论

(1)I-Pace作为捷豹路虎旗下第一款电动汽车,定位于高端市场,空调系统采用喷气增焓热泵系统,可实现低温下的良好工作性能,结合电机回路的Chiller,可实现电机废热的回收利用。

(2)I-Pace电机回路与电池回路作为两个独立回路,均配备有低温散热器,冷却系统控制上相对方便。另外两系统在设计上并没有直接耦合,但借助于热泵系统,可实现电机回路废热对电池回路的加热作用。

(3)I-Pace热管理系统可实现多种热管理工作模式,结合主动格栅和冷却风扇的灵活控制,可对整车空气动力学和整车能耗进一步优化。

参考文献

[1]M.Wawzyniak,L.Art,M.Jung,et al.Thermal Management as a Basic Prerequisite for Electric Mobility[J].ATZ Worldwide,2017,119(9):46-51.

[2]Wawzyniak,M.,Wiebelt,A.Thermal Management for Electrified Vehicles[J].MTZ Worldwide,2016,77(5):38-43.

[3]S.Fuchss,A.Michaelides,O.Stocks,et al.The Propulsion System of the New Jaguar I-Pace[J].MTZ Worldwide,2019,80(1):18-25.

[4]N.Dutta,C.Chatham.Heat Pump System on Jaguar I-Pace[C].Thermal Management Systems,2018,SAE International

【引用】杨钫,胡志林,张昶,等.捷豹I-Pace热管理系统技术研究[J].汽车文摘,2019(06):50-54.

作者简介:

杨 钫:工学博士学位,高级主任工程师,中国一汽新能源开发院,主要研究方向为新能源汽车动力性、经济性;

胡志林:工学硕士学位,主管工程师,中国一汽新能源开发院,主要研究方向为新能源汽车动力性、经济性;

张 昶:工学硕士学位,工程师,中国一汽新能源开发院,主要研究方向为新能源汽车动力性、经济性;

付 磊:工学博士学位,主任工程师,中国一汽新能源开发院,主要研究方向为新能源汽车动力性、经济性。

相关阅读: 消息类文章

分享到:

声明: 本网站为冲压和钣金业内信息集合和展示平台,欢迎不同的声音和观点,为行业人士提供参考,文章并不代表MFC的观点。书面刊用本站及MFC《金属板材成形》的原创文章,必须获得MFC的书面授权;电子平台转载,则必须注明作者和出处,对于盗版、冒名和不注明出处等行为以及由此产生的负面后果,MFC保留追究的权利。

我来说两句(共0条评论,0人参与)注册 登录 |

  • 最新评论
    暂无评论

品牌展厅365天全天候线上展厅

推荐专题

  • 一周热点
  • 月点击榜
 

微信公众号

冲压钣金门户

扫描或搜索关注