当前位置:MFC金属板材成形网 > 正文

MFC推荐—安全or成本哪个优先?聊聊电动汽车充电过程中的剩余电流保护

2019-09-23 17:09:42 来源: 刘敢闯
收藏
导读:

剩余电流是在指在低压配电线路中各相(含中性线)电流矢量和不为零的电流。GBT 18487.1-2015 对剩余电流保护器做了如下术语定义,剩余电流保护器,英文为residual current device,缩写为RCD,它是指在正常运行条件下能接通、承载和分断电流,以及在规定条件下当剩余电流达到规定值时能使触头断开的机械开关电器或组合电器。

GBT 18487.1-2015 主要针对电动汽车传导充电系统的通用要求,其中对充电模式进行了定义,主要有四种,充电模式1~4,其中充电模式4在整车上主要表现为直流充电,不在这个定义范围之内,而充电模式1~充电模式3为交流充电,对剩余电流保护作出如下的要求,可以看出,出于安全的考虑,交流充电模式对剩余电流均有要求。

另外,除了对要求配备剩余电流保护装置外,在标准中还对剩余电流保护装置的型式进行了规定,即宜采用A型或B型,或满足符合A型剩余电流保护功能的相关装置。

不同的剩余电流保护器的型式可以应对不同的保护场景,应该在需要保护的场景下选择合适的剩余电流保护型式。

按照剩余电流含有直流分量的动作特征标准分类,剩余电流保护器主要分为AC型剩余电流保护器、A型剩余电流保护器、F型剩余电流保护器、B型剩余电流保护器。其各自的功能分别如下:

AC型剩余电流保护器:正弦交流剩余电流。

A型剩余电流保护器:AC型功能、脉动直流剩余电流、脉动直流剩余电流叠加6mA的平滑直流电流。

F型剩余电流保护器:A型、由相线和中性线或者相线和接地的中间导体供电的电路产生的复合剩余电流、脉动直流剩余电流叠加10mA的平滑直流电流。

B型剩余电流保护器:F型、1000Hz及以下的正弦交流剩余电流、交流剩余电流叠加0.4倍额定剩余动作电流或10mA的平滑直流电流(取较大值)、脉动直流剩余电流叠加0.4倍额定剩余动作电流或10mA平滑直流电流(取较大值)、整流线路产生的直流剩余电流、平滑直流剩余电流。

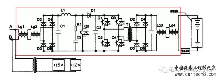
电动汽车车载充电机基本架构一般包括输入部分的EMI滤波,整流和PFC,功率转换电路,输出部分的EMI滤波器等,如下图红框所示为一种带有隔离变压器的两级功率因素校正电路,其中,Lg1,lg2及辅助电容组成输入EMI滤波器,L1,C1,D1,C3,Q5构成升压型前级PFC电路,Q1,Q2,Q3,Q4,T1,D2,D3,D4,D5组成后级的功率转换电路,Lg3,lg4及辅助电容组成输出EMI滤波器,以减小纹波数值。

车辆在使用的过程中,难免会有颠簸振动、器件老化等问题,可能会使得车载充电机内的绝缘出现问题,使对于车载充电机在交流充电过程中的不同位置的失效模式分析可得如下故障模式:

(1)市网输入交流侧接地故障,此时故障电流为工频交流电流;

(2)整流部分出现接地故障,此时故障电流为脉动直流电流;

(3)DC/DC两侧接地故障,此时故障电流为平滑直流电流;

(4)隔离变压器接地故障,此时故障电流为非工频交流电流。

由A型剩余电流保护器保护的功能可知,其可保护AC型功能、脉动直流剩余电流、脉动直流剩余电流叠加小于6mA的平滑直流电流,而车载充电机发生DC故障电流≥6mA时,A型剩余电流保护器可能会出现迟滞或不会动作的现象,导致无法正常工作,此时剩余电流保护器将失去保护功能。

由于我国主要采用TN的供电系统,对于产生的直流漏电会通过车身或PE线反馈到交流侧构成回路,这种意外的直流电对电网也会产生很不利的影响,所以必须断开,另一方面,由于TN系统的存在,这种故障不会在车身形成较大电压,对人体危害较小,然而如果连接系统地线缺失或者PE线断开,那么这部分电压就会伤害到人体,所以在充电控制系统必须配备对PE断线的检测,若PE故障,则不允许充电。

国内标准中,除了上述的GBT18487.1-2015中要求剩余电流保护器宜采用A型或B型外,对模式2的充电枪标准中,规定当采用模式2的充电枪进行充电时,标准对模式2缆上控制盒(IC-CPD)中对剩余电流的要求至少是A型。

我们再来看看欧洲的标准,IEC61851要求并未强制要求B型,但对于选用了A型剩余电流保护器的EVSE来说,另要附加能确保切断直流含量超过6mA以上的故障电路,两者必选其一。

结合对上面剩余电流保护器的选用分析可知,如果要满足上述故障的保护,从安全角度来说,需选用B型的剩余电流保护器,而在国内的实际情况时,由于适用于模式2充电枪的B型剩余电流传感器比较少,主要依赖于进口,这也会导致其成本大幅上升,考虑法规并非强制标准,只规定最基本的要求,而更安全更好的技术来区分领军供应商与一般的供应商,从这一方面来说,标准这么定义也有一定的道理。

参考文献:

1、正确选用剩余电流保护器(RCD) ——谈直流分量对RCD的影响及对策

2、电动车用锂电池车载充电机的研制

3、剩余电流保护器产品选用分析

4、电动汽车充电桩中剩余电流保护器的选用分析

相关阅读: 消息类文章

分享到:

声明: 本网站为冲压和钣金业内信息集合和展示平台,欢迎不同的声音和观点,为行业人士提供参考,文章并不代表MFC的观点。书面刊用本站及MFC《金属板材成形》的原创文章,必须获得MFC的书面授权;电子平台转载,则必须注明作者和出处,对于盗版、冒名和不注明出处等行为以及由此产生的负面后果,MFC保留追究的权利。

我来说两句(共0条评论,0人参与)注册 登录 |

  • 最新评论
    暂无评论

品牌展厅365天全天候线上展厅

推荐专题

  • 一周热点
  • 月点击榜
 

微信公众号

冲压钣金门户

扫描或搜索关注