当前位置:MFC金属板材成形网 > 正文

MFC推荐—全面解析电动汽车动力电池管理系统

2019-09-20 15:38:19 来源: 朱玉龙
收藏
导读:

在保证电池系统安全的设计过程中,除了电池单体特性、电池模组设计、电池包的结构和排气设计以外,就要数电池管理系统最有主控性。这里想做一个系列文章,分别介绍电池管理系统的基础、乘用车管理系统、电动大巴管理系统和电池管理系统的发展四个部分,这是第一篇。

从镍氢电池开始,电池由于其本身的特性,需要电池管理系统来管理,它也是新能源汽车整体架构中的要素之一。从总体来看,电池管理系统的主要目的是测量电池状态、延长电池的使用寿命。电池管理系统的常见功能模块根据初步划分,也可以分为测量功能、状态计算功能、系统辅助功能和通信与诊断。

第一部分 测量功能

1)基本信息测量:电池电压,电流信号的监测,电池包温度的检测

电池管理系统有着最基本功能就是测量电池单体的电压,电流和温度,这是所有电池管理系统顶层计算、控制逻辑的基础 。如图1所示,电池管理系统目前从电池这里获取的直接物理参数就是只有电压、温度和电流。

图1 电池管理单元概览

1.1单体电压测量和电压监控

单体的电压,对于电池管理系统有几种意义,一是可以用来累加获取整个电压,二是可以根据单体电压压差来判断单体差异性,三是可以用来检测单体的运行状态。单体的电压的采集和保护,目前都用ASIC来完成,而考虑采集电压的精度不仅仅需要考虑ASIC电路本身的精度,也需要考虑单体电压采样线束、线束保护用熔丝、均衡状态等多项内容。由于对电压采集精度的敏感度,与电池化学体系和SOC范围(SOC两端的需求往往较高)都有关系,实际上的ASIC采集得到的电压数据需要经过还原成接近电池本身的电压。

图2 单体采集电路模型

1.2 电池包电压测量

在后续计算SOC的时候,往往会用电池组的总电压来核算,这是计算电池包参数重要参量之一;如果由单体电压累加计量而成本身电池单体电压采样有一定的时间差异性,也没办法与电池传感器的数据实现精确对齐,因此往往采集电池包电压来作为主参数来进行运算。在诊断继电器的时候,是需要电池包内外电压一起比较的,所以这里一般测量电池包电压至少有两路V0和V1,如图3所示。

图3 BMS高压采集

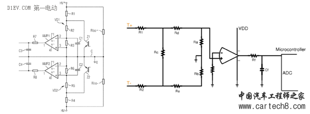
由于这里牵涉到了高压采集,需要进行隔离,所以一般的办法有两种,光隔如AVGAO的芯片方案或者通过电阻分压,然后配置工作点,再加上汽车级运放所组成的仪表运放电路,如下图4所示。

图4 三运放组成的仪表运放

1.3电池温度

温度对电池的参数有着很大的意义,这里也是引起争议的地方。在设计电池和模组的时候,电池内外的温度差异、电池极耳和母线焊接处、模组内电池温度差异和电池包内最大温度差,这些参数在设计整个电池包的时候都是属于已经进行先期控制了。BMS在设计温度传感器的放置点,以及放置多少温度点和最后采集得到的温度点表征整个电池包的运行情况,这里并不是BMS能管理的范畴。温度检测的精度也是颇有讲究的,如在-40度的时候,检测精度不需要特别高,因为使用电池系统本身就需要加热,而在-10度~10度对电池性能有重大影响的区域,还有40度高温临近点,这些都是需要重点关心的区域。在设计的过程中,可以用上拉电阻、滤波电阻和温度传感器的本身的数值进行蒙特卡罗分析。

需要注意的是,在一个电池包内放置太多的温度传感器并不是好主意,有了太多不仅涉及到诊断问题,而且通过分析需要选取较多的高精度电阻,于成本无益。目前ASIC电路也会将温度采集的功能涵盖进去。

图5 温度采集电路

1.4电池包流体温度检测

电池管理系统在整个电池包热控制里面,一般的作用是汇报温度,以及流体入口和出口的温度,检测电路与单体检测类似。

1.5 电流测量

电池包的往往仅在单体这一层级做并联(最极端的是特斯拉的小电池的75个并联),电池包内的单体串联给整车提供电能,所以一般只需要测量一个电流。电流测量手段主要分两种智能分流器或霍尔电流传感器。由于电池系统需要处理的电流数值,往往瞬时很大,比如车辆加速所需要的放电电流和能量回收时候的充电电流,因此评估测量电池包的输出电流(放电)和输入电流(充电)的量程和精度,这是一件需要仔细检查的工作。电流是引起单体温度变化的主要原因,作用在内阻和化学发热一起构成了电池发热;电流变化的时候也会引起电压的变化,与时间一起,这三项是核算电池状态的必备元素。

霍尔传感器一开始日系混合动力车上用的较多,现在慢慢有智能的分流器完成电压和电流的采样,通过串行总线传输,甚至可以在里面实现SOC的估算。

图6 两种电流传感器

[page]

2)绝缘电阻检测

电池管理系统内,一般需要对整个电池系统和高压系统进行绝缘检测,比较简单的是依靠电桥来测量总线正极和负极对地线的绝缘电阻。现在在电池包里面用的比较多的是主动信号注入,主要是可以检测电池单体对系统的绝缘电阻。

图7 被动绝缘检测

3)高压互锁检测(HVIL)

高压互锁的目的是,用来确认整个高压系统的完整性的,当高压系统回路断开或者完整性受到破坏的时候,就需要启动安全措施了。

a) HVIL的存在,可以使得在高压总线上电之前,就知道整个系统的完整性,也就是说在电池系统主、负继电器闭合给电之前就防患于未然

b) HVIL的存在,是需要整个系统构成的,主要通过连接器的低压连接回路上完成的,电池管理单元一般需要提供电路的检测回路。

HVIL源有三种不同的方式,5V、12V和PWM波。

这里的电路很大的一块是有ASIC完成的,下图8表征了不同ASIC电路。

图8 ASIC电路的发展

第二部分 状态估计功能

1)SOC和SOH估计

电池系统中最核心也是最难的一部分就是SOC和SOH的估计。SOC估算常见的有安时积分法(SOCI),和开路电压标定法(SOCV),安时积分最大的问题是随着时间的推移误差会越来越大,开路电压标定的问题是,电池需要在静置很长时间以后的开路电压对应的SOC才是准确的,汽车在行驶的时候采集的电压用来标定SOC那是不准确的。实际的使用中,一般以SOCV为主用SOCI,在实际使用中也在用一定的卡尔曼滤波法,神经网络法来提高SOC的计算,但是限于MCU的运算速度和能力,整个算法的复杂度是有限制的。

图9 SOC和SOH估算

2)均衡

一个串联的电池包,由于电池和电池管理的原因,总是会出现不均衡的现象。在实际使用过程中,每个串联的输出容量是不一样的。而电池,不仅有过放电和过充电的限制,而且在不同温度和不同SOC下,输入和输出的功率也存在限制。也就是说,单个电池的限制,就会影响到整个电池。这里不等于单个超限,就等于整个不安全,而是那个单体电池会受到损害,进行出现持久性的问题。

1.电池包内各个单体电池之间的个体差异:单体容量差异、单体内阻差异、单体自放电差异、工作时候电流差异和休眠时候电流差异

2.电池包内随着时间变化:单体容量差异、单体内阻差异、单体自放电差异

3.客户使用 充电时间、放电时间

4.外部环境 同温度下的自放电、不同SOC下的自放电

5.系统相互影响:BMS的工作状况,这个因素和BMS的工作状态有关系。

当然接下来我们需要选择均衡的方法,主要包括硬件拓扑和均衡算法两部分,在汽车行业应用中,我们还有可靠性、成本和安全等几方面的限制。

图10 均衡的方式

3)电池功率限制

新能源汽车中的电池容量是不同的,锂电池系统为整车特别是电机提供能量,需要满足电机的功率要求。而一定容量的电池电池在不同的SOC,不同的温度下,其输入和输出的功率是有一定限制的。实际的运行中,混合动力电池包SOC窗口开的很小,纯电动汽车用的非常宽,用完就结束使用,而插电式混合动力在电池耗尽的时候,则需要考虑输出功率的限制。电池管理系统需要发送给整车控制器一个功率限制参数,这是根据一个三维表核算出来,包含温度、SOC、电池容量,如图11所示。

图11 SOC控制表

[page]

第三部分 辅助系统功能

这部分的功能,一般电池管理系统是做辅助使用的,往往与整车控制系统或者其他相关的系统进行联合使用。

1)继电器控制

电池包内一般有多个继电器,电池管理系统至少要完成对继电器的驱动供给和状态检测,继电器控制往往是和整车控制器协调后确认控制器,而安全气囊控制器输出的碰撞信号一般与继电器控制器断开直接挂钩。电池包内继电器一般有主正、主负、预充继电器和充电继电器,在电池包外还有独立的配电盒对整个电流分配做个更细致的保护。对电池包的继电器控制,闭合、断开的状态以及开关的顺序都很重要。

2)热控制

如前所述,电池的化学性能受环境的温度影响非常大,为了保证电池的使用寿命必须让电池工作在合理的温度范围之内,并根据不同的温度给整车控制器得出其所能输出和输入的最大功率。对于电池系统的温度控制主要用到CFD仿真分析,如前所述的温度传感器这一单元,如何使用最少的传感器来有效的监测整个电池包的温度分布,并将监测信息反馈给电池管理系统和整个电池温度管理系统。如图12,电池模组的热分析结果,图13为某液冷系统的,整车和电池系统的散热和加热系统。

图12 某模组热分析结果

图13 电池系统热控制

3)充电控制

电池管理系统的一种主要模式是监控电池系统在充电过程中的电池的需求。在交流系统中,BMS需要实现PWM的控制导引电路的交互;在直流充电过程中,特别需要注意在较高SOC下允许充电的电流。在国标系统中,电池管理系统被要求直接与外部建立通信,交互充电过程中的信息。理论上说,这块功能的设计,可以迁移到不同的模块上,否则电池管理系统的睡眠唤醒机制就会显得有些复杂。

第四部分 通信与故障诊断

1)通信功能

电池管理系统,至少需要给整车控制器发送电池系统的相关信息;在有直流充电的系统之中,特别是在国标系统中需要直接与外部直流充电桩进行通信。在某些时候,可能还有一条备份的诊断和刷新的通信线,用来在主通信失效的情况下做数据传输。

2)故障诊断和容错运行

故障诊断及容错控制在任何控制器当中都是非常重要的部分,电池管理单元的故障会也需要以故障码(DTC)来进行报警,通过DTC触发仪表盘当中的指示灯,在新能源汽车中电池故障也有相应的指示灯来提醒驾驶员。由于电池的危险性,往往需要车联系统直接进行信息传送,以应对突然出现的事故处理。比如当发生事故的时候,当安全气囊弹出,继电器由整车控制器直接切断以后,车联系统通过定位和预警来处理,特别是电池放电。故障诊断包括对电池单体电压,电池包电压,电流,电池包温度测量电路的故障进行诊断,确定故障位置和故障级别,并作出相应的容错控制。

Fail-Safe的容错运行机制,是指车辆在运行过程中遇到错误之后,车辆进行的降级运行处理。事实上,这个功能更像是对以上所有功能降级和备份。

相关阅读: 消息类文章

分享到:

声明: 本网站为冲压和钣金业内信息集合和展示平台,欢迎不同的声音和观点,为行业人士提供参考,文章并不代表MFC的观点。书面刊用本站及MFC《金属板材成形》的原创文章,必须获得MFC的书面授权;电子平台转载,则必须注明作者和出处,对于盗版、冒名和不注明出处等行为以及由此产生的负面后果,MFC保留追究的权利。

我来说两句(共0条评论,0人参与)注册 登录 |

  • 最新评论
    暂无评论

品牌展厅365天全天候线上展厅

推荐专题

  • 一周热点
  • 月点击榜
 

微信公众号

冲压钣金门户

扫描或搜索关注