当前位置:MFC金属板材成形网 > 正文

MFC推荐—充电桩中剩余电流保护器的选用

2019-09-20 11:04:23 来源: 电动汽车资源网
收藏
导读:

随着近两年来的新能源汽车数量的爆发式增长, 其配套设施充电桩的建设规模也随之扩大。 2010 年-2017 年七年间,我国充电桩数量已经从千余个增长至 21 万个。新能源汽车市场的增长离不开基础充电设施的建设,如何保证充电过程中的用电安全,尤其是防止泄漏电流对生命财产造成危害,是值得关注的问题。

剩余电流保护器(Residual Current Operated Protective Devices, RCD)作为一种漏电保护器,被广泛应用于低压配电系统中,用于防止电击事故、电气设备漏电损坏和电气火灾。同样在电动汽车充电领域,RCD也作为一种基本电气保护装置被广泛应用。

电动汽车充电一共有四种模式,在GB/T 18487.1-2015《电动汽车传导充电系统 第1部分:通用要求》中有明确说明。模式一使用充电连接电缆将电动汽车与交流电网相连,剩余电流保护主要依靠建筑配电箱中的剩余电流保护装置(RCD),由于不能保证所有现存建筑物装置都配有RCD,所以这种方式十分危险,已经被禁止使用;模式二在充电连接电缆上安装了缆上控制保护装置(IC-CPD),IC-CPD内部具有剩余电流检测保护功能;模式三使用专用供电设备,将电动汽车与交流电网直接连接,并且在专用供电设备上安装了控制导引装置,专用供电设备即交流充电桩;模式四将电动汽车连接交流电网或直流电网时,使用了带控制导引功能的直流供电设备,即直流充电桩。在这里,我们主要讨论模式三、模式四充电桩内的剩余电流保护器的选用。

在GB/T 18487.1-2015中要求,交流供电设备的剩余电流保护器宜采用A型或B型,符合GB 14084.2-2008,GB 16916.1-2014和GB 22794-2008的相关要求。如图1所示为充电模式3控制导引电路原理图,在供电设备内部安装了剩余电流保护器。

图 1充电模式3控制导引电路原理图

什么是A型或者B型剩余电流保护器?我国的剩余电流保护装置(RCD)指导性标准GB/Z 6829-2008(IEC/TR 60755:2008,MOD)《剩余电流动作保护器的一般要求》从产品的基本结构、剩余电流类型、脱扣方式等方面作了划分。根据剩余电流类型可将RCD分为AC型、A型、B型。AC型剩余电流保护器:对突然施加或缓慢上升的剩余正弦交流电流确保脱扣的RCD。A型剩余电流保护器:包含AC型的特性并对脉动直流剩余电流、脉动直流剩余电流叠加6mA平滑剩余电流确保脱扣的RCD。B型剩余电流保护器:包含A型的保护特性,此外,还能对1000Hz及以下的正弦交流剩余电流、交流剩余电流叠加平滑直流剩余电流、脉动直流剩余电流叠加平滑剩余电流、两相或多相整流电路产生的脉动直流剩余电流、平滑直流剩余电流确保脱扣的RCD。

图2交流充电桩内部结构

目前,由于B型RCD价格过于昂贵,国内大部分的交流充电桩内部安装的都是A型剩余电流保护器。下图所示为交流充电桩内部结构图,使用了A型剩余电流保护装置。

那么A型的剩余电流保护器能满足充电桩的漏电保护要求吗?我们来分析一下充电过程中可能产生的剩余电流类型。

图3电动汽车充电设施与电网及电动车间连接示意图

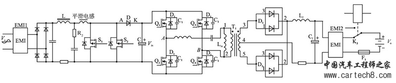
如图3所示,在使用交流充电桩充电过程中,交流充电桩和车辆耦合器与公共电网相连,桩内如果由于绝缘破坏,可能产生工频交流漏电流。在电动汽车部分,可能产生的漏电流主要来自于车载充电机漏电,充电机一般拓扑主要为AC/DC和DC/DC两部分。如下图所示为一种常见车载充电机的主电路图

图4 一种车载充电机主电路原理图

AC/DC部分单相输入交流电首先经过EMI滤波,然后在Boost型APFC电路作用下将85~265V的交流电整流成稳定输出的直流400V电压,并为后级提供直流输入。DC/DC部分采用移相全桥LLC主电路将直流电压400V转化成蓄电池可接受的电压。当电路板与设备外壳之间绝缘损坏时,在整流部分可能产生脉动直流剩余电流,在Boost型APFC电路中可能会产生纹波系数很小的直流剩余电流。这里借用Bender的图来详细说明直流剩余电流的产生及危害。

图5 隔离式充电机直流漏电的产生

可以看到,在DC/DC部分推挽全桥变换器当中可能发生直流漏电,我国低压配电系统一般采用TN形式供电,设备金属外壳与工作零线相接,直流漏电会通过车身和PE线反馈到充电线路上,对整个系统电流波形造成影响。通过对等效电路的仿真,发现整个系统的电流波形会改变,如下图所示。

图6 充电机直流故障系统电流波形

可以看到在后端发生直流漏电之后,也会影响到前级电路,整流过后的脉动直流波形发生畸变,产生尖刺,逐级对后端电路产生干扰,影响到充电效果,甚至影响蓄电池寿命。另一方面,由于TN系统的存在,这种故障不会在车身形成较大电压,对人体危害较小,然而如果连接系统地线缺失或者PE线断开,那么这部分电压就会伤害到人体。实际上国内很多地方尤其农村地区PE线地线的连接都存在问题。现有的A型RCD仅能在检测脉动直流漏电时不受直流6mA电流的干扰,而无法检测到直流漏电并断开保护,当直流漏电大于6mA时,由于直流剩余电流会引起磁芯预先磁化,使脱扣值增大,导致A型RCD无法正常动作,因而必须使用B型RCD进行保护!

同样的在直流充电桩内部是通过非车载充电机将市电转换成高精度直流电给蓄电池充电。直流充电桩漏电保护分为交流侧和直流侧,理论上交流侧也需要增加B型RCD进行保护,直流侧需要加装直流对地绝缘监测装置,检测直流正极和负极对地绝缘检测情况。

在可预见的未来内,随着新能源汽车走进千家万户,充电桩将成为老百姓生活中必不可少的一部分,因而,充电桩内剩余电流保护器的更新换代十分必要,只有安全的用电环境才能让大家放心地享受新能源汽车带来的便利。

Magtron基于iFluxgate技术的SoC芯片整体方案,为B型漏电保护进行了数字化集成,为RCCB从传统的AC型/A型向B型的技术升级,提供了一套高性价比的B型漏电解决方案,为充电设备的用电安全提供了更好的保障。

相关阅读: 消息类文章

分享到:

声明: 本网站为冲压和钣金业内信息集合和展示平台,欢迎不同的声音和观点,为行业人士提供参考,文章并不代表MFC的观点。书面刊用本站及MFC《金属板材成形》的原创文章,必须获得MFC的书面授权;电子平台转载,则必须注明作者和出处,对于盗版、冒名和不注明出处等行为以及由此产生的负面后果,MFC保留追究的权利。

我来说两句(共0条评论,0人参与)注册 登录 |

  • 最新评论
    暂无评论

品牌展厅365天全天候线上展厅

推荐专题

  • 一周热点
  • 月点击榜
 

微信公众号

冲压钣金门户

扫描或搜索关注