当前位置:MFC金属板材成形网 > 正文

MFC推荐一文看懂电动汽车DC/DC 变换器

2019-09-09 13:23:27 来源: 电源研发精英圈
收藏
导读:

DC/DC 变换器,作为电动汽动力系统中很重要的一部分,它的一类重要功用是为动力转向系统,空调以及其他辅助设备提供所需的电力。另一类,是出现在复合电源系统中,与超级电容串联,起到调节电源输出,稳定母线电压的作用。

给车载电气供电,DCDC在电动汽车电气系统中的位置,如下图所示。它的电能来自于动力电池包,去处是给车载用电器供电。

与超级电容配合使用的DCDC,在整车电源中的位置如下图所示,它可能出现在图(b)、(c)、(d)中所示位置上,而(b)是应用较多的一种形式。

1 DCDC分类和工作原理

1.1 隔离型和非隔离型

什么是电气隔离?

百度来的一段话:电气隔离,就是将电源与用电回路作电气上的隔离,即将用电的分支电路与整个电气系统隔离,使之成为一个在电气上被隔离的、独立的不接地安全系统,以防止在裸露导体故障带电情况下发生间接触电危险。实现电气隔离以后,两个电路之间没有电气上的直接联系。即,两个电路之间是相互绝缘的。同时还要保证两个电路维持能量传输的关系。电气隔离的作用主要是减少两个不同的电路之间的相互干扰,降低噪声。

非隔离双向DCDC,结构比较简单,每个部件都是直接相连,没有额外的能量损失,工作效率比较髙。对升压侧的电容要求比较高。主要的非隔离DCDC电路结构有双向半桥boost-buck电路,双向buck-boost电路,双向buck电路,双向Zate-Sepic电路,如下图所示。

隔离型双向DCDC,在非隔离型双向DCDC转换器的基础上加上一个高频变压器就构成了隔离型双向DCDC转换器,高频变压器两侧的电路拓扑可以是全桥式、半桥式、推挽式等等。这几种隔离型的双向DCDC转换器,采用了更多的功率开关,电压变比大,带电气隔离等优点。但是这类DCDC转换器结构复杂,成本也相对较高,转换器的损耗高,低频时会导致隔离变压器铁芯饱和,损耗会进一步增加。因此,非隔离型双向DCDC转换器比隔离型在电动汽车上运用更具有优势。

当能量由高皮侧流向低压侧时,双向DCDC转换器工作在BUCK模式;能量由低压侧流向高压侧时,双向DCDC转换器工作在BOOST工作模式。

1.2 DCDC系统三个组成分

主电路

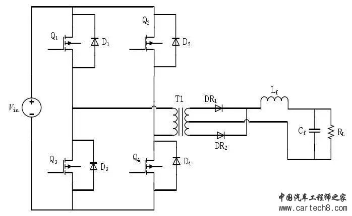
又叫做功率模块,是整个DCDC的主体。一个典型的全桥型 DCDC 变换器主电路拓扑如下图所示。

上图中,Vin为输入电压,需要通过DCDC回路,在输出端得到一个需要的输出电压。原边开关电路,将输入电流调制成矩形波,这个过程主要依靠控制器调制特定占空比的PWM波,用以驱动四个开关管按照既定的顺序和时间开闭,从而实现电流逆变过程。原边输入电压可以通过占空比调节,占空比增加输出电压也增加,占空比减小输出电压减小。频率则可以通过调节开关频率调节。T1位变压器,变比你n。变压器既可以实现电气隔离,又可以起到电压调节的作用。一个固定的原边线圈匝数,副边改变匝数,即可得到不同的电压等级。变压器的输入,是经过左侧全桥电路逆变得到的脉冲矩形波,传递到变压器的副边,得到的是另一个电压幅值的交流正弦波。经过DR1和DR2整流以后,再经由Cf和Rl滤波处理,得到直流电,提供给输出端。

驱动模块

对于控制芯片输出的四路 PWM 驱动信号来说,并不能直接驱动四个功率开关管。所以,一般来说,开关电源是需要配套一个驱动电路来驱动功率开关管。驱动电路种类很多,主要由以下三种:

直接耦合型:控制芯片的每一路输出 PWM 驱动信号经过由两个三极管组成的放大电路来驱动功率开关管。此种方法无法实现控制部分与主电路的隔离。

脉冲变压器耦合型驱动电路:此电路是在直接耦合型的基础上加上了一个脉冲变压器,实现了控制电路与主电路的隔离。但是这种结构的缺点是,涉及到变压器的设计、制作等方面,比较复杂。

驱动芯片的驱动电路:为了更加方便地来驱动功率开关管,很多公司研制出驱动芯片,驱动芯片可以输出较大的功率,驱动开关管,而且随着芯片的小型化发展,现在的驱动芯片体积非常小,有各种封装形式。利用驱动芯片对功率开关管驱动,这种方法比较简单,但是控制电路与主电路仍然没有实现隔离。

控制模块

主电路的反馈主要有三种控制模式:电压控制模式,峰值电流控制模式,平均电流控制模式。

电压控制模式:属于电压反馈,利用输出电压进行校正,是单环反馈模式,输出电压采样与输入基准电压比较,得到的输出信号与一锯齿波电压比较,输出 PWM波信号。电压控制模式设计以和运用都比较简单,但是电压控制模式没有对输出电流进行控制,有一定的误差存在,并且输出电压先经过电感以及电容的滤波,使得动态响应比较差。

峰值电流控制模式:峰值电流控制模式与电压控制模式的区别在于,峰值电流控制模式中,把电压控制模式的那一路锯齿波形,转换成了电感的瞬时电流与一个小锯齿波的叠加。但是电感的瞬时电流并不能表示平均电流的情况。

平均电流控制模式:属于双环控制方式,电压环的输出信号作为基准电流与电感电流的反馈信号比较。设置误差放大器,可以平均化输入电流的一些高频分量,输出的经过平均化处理的电流,再与芯片产生的锯齿波进行比较,输出合适的 PWM 波形。

电感电流和电容电压因此需要对两个变量都要进行PID整定,一个典型的控制流程如下图所示。控制模块是由两个PID控制器组成,分别是电压控制控制外环和电流控制内环,在流程图中给出一个参考电压,设计合理的参数,就可以很快速的达到控制系统的目的。

相比三种控制方式,平均电流的控制方式不限制占空比,对输出电压和电感电流均进行反馈,有比较好的控制效果。采用平均电流控制方式进行反馈电路的设计时,把电流环是看作电压环的一部分。

1.3 软开关和硬开关

DCDC中的硬开关与软开关有何区别?

硬开关和软开关是针对开关管来讲的。

硬开关是不管开关管(DS极或CE极)上的电压或电流,强行turn on或turn off开关管。当开关管上(DS极或CE极)电压及电流较大时开关管动作,由于开关管状态间的切换(由开到关,或由关到开)需要一定的时间,这会造成在开关管状态间切换的某一段时间内电压和电流会有一个交越区域,这个交越造成的开关管损耗称为开关管的切换损耗。

软开关是指通过检测开关管电流或其他技术,做到当开关管两端电压或流过开关管电流为零时才导通或关断开关管,这样开关管就不会存在切换损耗。

一般来说软开关的效率较高(因为没有切换损);操作频率较高,PFC或变压器体积可以减少,所以体积可以做的更小。但成本也相对较高,设计较复杂。

进一步的,软开关包括三种控制方式:双极性控制,有限双极性控制,移相全桥控制,得到的矩形波波形如下图所示。

Q1 和 Q3 为超前桥臂上的开关管,属于同一桥臂,而 Q1 和 Q4 为对角的开关管,分别属于两个桥臂。第一种控制方式为硬开关,第二和第三种均可以实现软开关,但是第三种的控制方式较灵活,比较容易实现。

由于对功率密度越来越高的要求,可以通过提高频率来提高功率性能的软开关类DCDC是当前研究的主要方向。软开关包括3种主要控制方式:ZVS 移相全桥变换, ZCS 移相全桥变换,ZVZCS移相全桥变换。

2 给车载用电器供电,怎样估计DCDC功率

每一个用电设备都有自身工作的额定电压和额定电流,如果电动汽车中的用电设备经常处于非额定状态下工作的话,会大大降低电能转换效率,寿命受损甚至会导致设备损坏。因此,DCDC的规格与所在系统的需求相匹配,才能更好的发挥功能。一般的选型思路不是直接将全部电气功率加在一起,因为他们可能并不是全部同时工作的。

根据纯电动汽车车载电子设备的不同属性,能把用电设备分为长期用电、连续用电、短时间间歇用电和附加用电设备种类型,并赋于不同的权值。其中,长期用电设备包括组合仪表和蓄电池,权值取1;连续用电设备包括雨刮、电机、音响系统和仪表照明等设备,权值可取0.5;短时间间歇用电设备包括电喇机、各类信号灯、控制器等设备,权值可取0.1;附加用电设备电动真空泵、电动水泵和电动转向,权值根据实际情况分别取0.1、1、0.3。各类设备所消耗功率分析如表所示。

3 配合超级电容应用的DCDC怎样确定电气参数?

在复合电源系统中,超级电容一般都被定义成应对大功率的部分,放电过程,针对工况峰值,提供均值以上的部分;制动能量回收过程,承担全部或者绝大部分回收电流的吸纳。面对冲击功率,DCDC在两个方面的要求比较高。一个是反应速度,电池与超级电容并联的电源回路中,制动能量从电机产生,通过母线向电源传递。如果DCDC的反应不够灵敏,接通时间较长,则涌来的能量被DCDC隔离在超级电容以外,得不到吸纳,只能由电池吸纳,过大的功率会给电池带来永久性的损伤。DCDC的另一个要求就是能够承受瞬时大功率的冲击,串联在电容回路的DCDC,需要经常面对冲击功率的工作状态。因此,选择与超级电容串联在统一支路的DCDC,最重要的参数就是功率范围,工作电压和动作时间。

相关阅读: 消息类文章

分享到:

声明: 本网站为冲压和钣金业内信息集合和展示平台,欢迎不同的声音和观点,为行业人士提供参考,文章并不代表MFC的观点。书面刊用本站及MFC《金属板材成形》的原创文章,必须获得MFC的书面授权;电子平台转载,则必须注明作者和出处,对于盗版、冒名和不注明出处等行为以及由此产生的负面后果,MFC保留追究的权利。

我来说两句(共0条评论,0人参与)注册 登录 |

  • 最新评论
    暂无评论

品牌展厅365天全天候线上展厅

推荐专题

  • 一周热点
  • 月点击榜
 

微信公众号

冲压钣金门户

扫描或搜索关注