当前位置:MFC金属板材成形网 > 正文

汽车上所有传感器的检测方法

2019-09-04 13:58:13 来源: 汽车技术e站
收藏
导读:

01、传感器的作用

汽车上的传感器它将汽车运行过程中的各种工况数据,如温度、流量、车速等信号,转化成电信号后传输给计算机,以使汽车各功能都处于最佳工作状态或将某些数据精准的告诉车主。

02、传感器的分类

汽车上的传感器从最初单纯的应用于发动机(水温、机油压力、燃油量)到现在应用于各大系统的上百种传感器,按其作用基本分为下面几种:

1、测量温度

如水温传感器、进气温度传感器、油温传感器、空调室内温度传感器等;

2、测量压力

如机油压力、进气压力、燃油压力等;

3、测量流量

如空气流量计;

4、测量位置

节气门位置传感器、燃油油量传感器、制动液位置传感器等;

5、测量(气体)浓度

如氧传感器;

6、测量速度

如曲轴传感器、车速传感器;

7、测量光强度

如光照传感器(自动大灯);

03、传感器的结构及检修

因传感器的种类繁多,很多传感器名称不一样,但是它们的监测原理及检修方式是一样的,于是这里仅根据其结构类型及作用进行介绍。

另外有一点大家需要注的意是,我们在检测的时候,并不应只考虑传感器本身的故障,还要考虑线束、插头以及控制模块的故障。

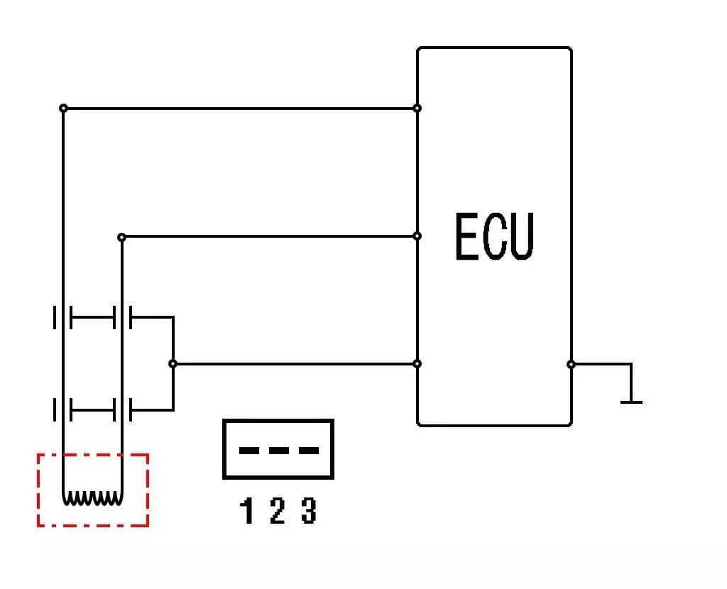
【1】电磁式曲轴位置传感器

广泛应用于曲轴位置传感器、凸轮轴位置传感器、轮速(ABS)传感器等。

电磁式的传感器主要由永久磁铁、电磁线圈、外壳以及脉冲轮等组成。

它所采取的是通过脉冲轮的旋转,电磁线圈切割磁感应线,产生出一个有频率的感应电压,电脑根据该频率电压进行计算后就可以得知,旋转的角度及圈数。

它的电路通常如下:

电磁式传感器一般为两线及三线式,三线的多一根信号屏蔽线。

它的检测方法比较简单,常用的有如下几种方法:

1、量线圈的电阻,且都与屏蔽线不通;

2、拔下插头,用万用表交流电压档量线圈感应出来的电压;(不常用)

3、用示波器读取传感器的波形;

4、还应检查传感器的信号轮是否有变形、缺失;

【2】霍尔效应曲轴位置传感器

广泛应用于凸轮轴位置传感器、曲轴位置传感器、车速传感器等;

霍尔式的传感器主要由霍尔元件、永久磁铁、触发轮等组成。

它通常为三线式,电路如下

与电磁式不同的是它是有供电(电源)线的,而电磁式的没有。且电磁式的信号为交流电压信号,霍尔式的为直流脉冲电压信号。

该传感器的检测也非常简单,常用如下几种方式:

1、量传感器供电、搭铁看是否正常;

2、量传感器信号线,并用手缓缓转动信号盘,看信号是否在0V与5V间切换;

3、用示波器读取传感器的波形;

4、还应检查触发叶轮(或齿)是否有变形、缺失等。

【3】压力性传感器

根据压力传感器类型的不同,它主要有可变电感式、膜盒传动式、电容式以及半导体压敏电阻式等。

如半导体压敏电阻式,它就是通过压力的变化,硅膜片的变形,其上方的四个应变电阻的阻值也发生变化,再通过内部的集成电路计算得到当前的压力信号。

它也是三线式的,有电源,有搭铁,另一根信号线。

它的检测也很简单:

1、测量传感器供电、搭铁的好坏;

2、测量传感器的信号电压变化,可将信号线用大头针引出后,在车检查;

3、用示波器测量波形;

4、通过诊断设备读取相关数据流。

【4】温度型

从图中我们可以看到,此类型的传感器,多为两根线(一线式的采取外壳搭铁),一根信号,一根搭铁,如不清楚其是怎么监测的朋友,可以看下面这幅变形后的图片。

【5】流量型

最常见的流量型传感器当属空气流量计,它也有多种测量方式,如体积流量式与质量流量式。

在进行空气流量计的检测时,需先了解其是几线式的,几根线分别有什么作用,这里以常见的热线热膜式为例。

其电路主要是由四个电阻组成的惠斯顿电桥以及集成电路组成。在检测的时候,我们需知道它的几根线分别是什么线,这里以6线式为例:

1、关闭点火开关,拔下传感器插头;

2、打开点火开关,量插头侧,找出电源线与搭铁线;

3、再测量并记录另外三根线的各自电压;

4、关闭点火开关,插回传感器插头;

5、打开点火开关,再次测量刚记录的三根线,前面为5V,后面为2V左右的为进气温度线,开始没电,插顺后有电的,则是空气流量信号线。

PS:自清信号线,指的是,当发动机转速超过1500转/分钟,关闭点火开关后,控制系统会将铂金热线加热到1000℃左右1~2秒,将附着在热线上的粉尘烧掉,为下一次的着车做好准备。(这样做的目的是使信号更精确)

【6】位置型

这类传感器的检测也非常简单,我们只需要测量两两之间的电阻即可;

1、测量参考电压线与搭铁线之间的电阻,应为一固定电阻值;

2、一表笔接参考电压线,一表笔接信号线,缓缓拨动与滑臂相连接的部件,如油浮子、节气门阀板等,看其电阻值的变化。

【7】浓度型

这类传感器主要为测量气体中的某种物质的含量,如氧传感器就是测量气体中的氧含量。

我们知道氧传感器中:

一线式的为信号线;

二线式的,信号及信号接地;

三线式的两根加热线与一根信号线;

四线式的两根加热线与两根信号线;

六线式的两根加热线、两根信号线与两根加压线;

在检测的时候,我们主要测量以下几个数据:

1、加热器线有没有供电;

2、加热器线之间的阻值(是否开路/短路);

3、信号电压;(可用万用表测量、示波器测量、诊断仪读取数据流查看)

PS:氧传感器的检测,需在发动机闭环控制的时候检测。(水温达到80℃以上)

相关阅读: 知识类文章

分享到:

声明: 本网站为冲压和钣金业内信息集合和展示平台,欢迎不同的声音和观点,为行业人士提供参考,文章并不代表MFC的观点。书面刊用本站及MFC《金属板材成形》的原创文章,必须获得MFC的书面授权;电子平台转载,则必须注明作者和出处,对于盗版、冒名和不注明出处等行为以及由此产生的负面后果,MFC保留追究的权利。

我来说两句(共0条评论,0人参与)注册 登录 |

  • 最新评论
    暂无评论

品牌展厅365天全天候线上展厅

推荐专题

  • 一周热点
  • 月点击榜
 

微信公众号

冲压钣金门户

扫描或搜索关注